西安西馳電氣股份有限公司(證券代碼831081),成立于2002年,是一家專業從事電力電子產品研發、制造、銷售的高新技術企業。
了解更多
控制策略較簡單,可采用變周期周波模式,克服移相模式功率因數低、對電網污染大等缺點。變周期周波控制方式,負載電流以全正弦波為單位均勻分布。本產品的變周期周波控制方式專為這種負載設計的。
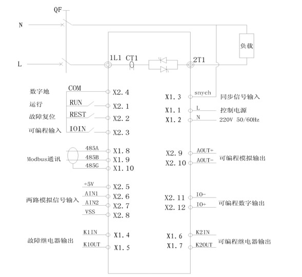
1、控制接線圖:
2、控制信號類型設置
本例控制信號
模擬輸入口1:B00輸入信號=DC0~20mA
3、參數設置
對于阻性負載, A08參數項中的11種控制方式均適合。
本例中使用A08中的【7.變周期周波模式】控制方式,變周波波形圖見圖5.1。
4、操作
在啟停選擇方式A00參數為【通訊】狀態下,按下【運行】鍵,控制器開始運行,運行指示燈【RUN】閃爍(若選擇A00參數中的【端子】啟停方式時,將X2.1與X2.4短接,控制器開始運行,運行指示燈【RUN】閃爍);
撥碼開關撥至“ON”端,給定信號來源于模擬輸入口1 DC0~20mA(B00參數項)電流給定信號,輸出電壓隨給定的大小變化;
運行過程中通過鍵盤可查閱給定、控制方式等參數;
修改A21參數,可改變變周波精度(50~1000);
按下【停止】鍵,進入停機狀態,等待下一次運行啟動;
故障時,控制器停止運行,OLED顯示屏顯示故障名稱,故障指示燈【FAULT】亮,檢查故障原因,故障解除后可根據顯示屏提示,按【確認鍵】進行復位或選擇B03參數中的【0.故障復位】。
Copyright ? 2019 西安西馳電氣股份有限公司 保留所有版權 陜ICP備09009982號-1
陜公安備 61019002000087