西安西馳電氣股份有限公司(證券代碼831081),成立于2002年,是一家專業從事電力電子產品研發、制造、銷售的高新技術企業。
了解更多
破碎機主要是對各類石料、煤塊等大塊硬度較高物料進行破碎作業,根據破碎的原理不同和產品顆粒大小不同,可分為很多型號。破碎機廣泛運用于礦山、冶煉、建材、公路、鐵路、水利和化學工業等眾多行業。
一、破碎機工作原理
我們將現場常見和常用的破碎機列舉出來:鄂式破碎機、反擊式破碎機、錘式破碎機等。
鄂式破碎機:破碎方式為曲動擠壓型,當動鄂推動動鄂板向定鄂板運動時,物料被壓碎或劈碎。已被壓碎或劈碎的物料從鄂板的下部排料口排出。隨著電動機連續轉動而破碎機動鄂作周期性地壓碎和排泄物料,實現批量生產。
反擊式破碎機:反擊式破碎機是利用沖擊力“自由”破碎原理來破碎物料的。物料進人破碎機中,受到高速回轉的打擊板的沖擊,物料則沿著層理面、解理面進行選擇性破碎、粉碎。
錘式破碎機:主要適用于破碎各種脆性材料的礦物,原料喂入破碎腔,物料碰上高速旋轉的轉子,被錘頭迎頭打擊,大塊物料被立即擊碎,碎料高速飛向上反擊板,進行第二次碰撞破碎,反彈物料與后續飛來的物料相互撞擊破碎。

圖1 鄂式破碎機

圖2 反擊式破碎機

圖3 錘式破碎機
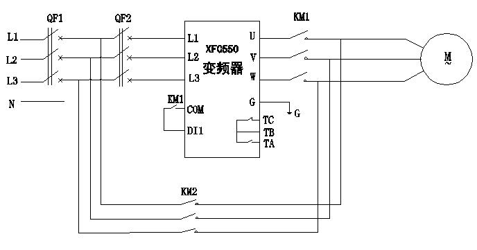
二、XFC550系列在破碎機上的應用
1.系統要求:
? 端子控制啟停。
? 根據物料不同可以調整不同速度。
? 需要機器設備停機,會通過減速時間在一定時間內穩定停機。
? 剛啟動時,主軸較低速度下,啟動瞬間電流較大,要求力矩較大。
? 變頻控制系統的基礎上保留工頻系統,互鎖控制以作備用。
2.應用接線圖:

三、方案特點及優勢
XFC550變頻器具有具20余種保護功能可以對控制回路及破碎機起到保護;
工頻/變頻轉換和故障自切換等功能,使系統控制靈活方便,功能齊全;
節約能源是最有實際意義的,根據不同材料來調節電機轉速工況是經濟的運行狀態;
提高破碎效果,變頻控制系統具有精確的轉速控制能力,變頻控制破碎機的輸出力矩隨著負載變化而改變,有效地提高了工況的質量;
變頻器能夠有效的減小了啟動沖擊電流,對變壓器的容量要求降低;
XFC550系列變頻器啟動扭矩大,SVC模式下0.3Hz能達到150%的轉矩,FOC模式下0Hz能達到180%的轉矩,充分滿足了破碎機低頻啟動負載重的要求;
四、應用案例



Copyright ? 2019 西安西馳電氣股份有限公司 保留所有版權 陜ICP備09009982號-1
陜公安備 61019002000087