西安西馳電氣股份有限公司(證券代碼831081),成立于2002年,是一家專業從事電力電子產品研發、制造、銷售的高新技術企業。
了解更多
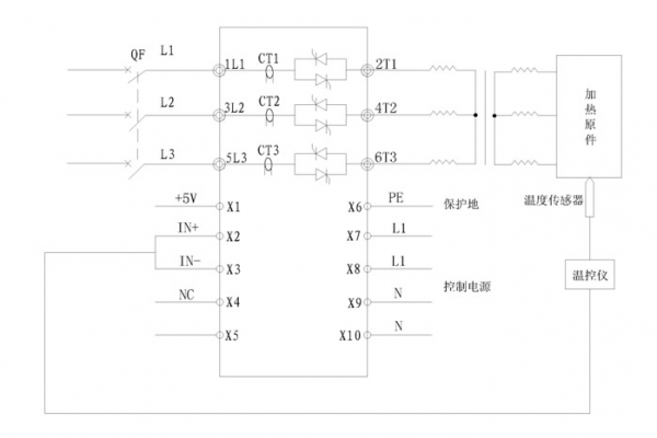
首先我們通過一個圖來看看功率控制器在溫度控制方面的典型應用:此應用中,功率控制器可選擇為開環或恒壓模式,溫控儀用于目標溫度的設定及現場溫度的采集,將溫控儀的輸出信號接于功率控制器的...
了解詳情 +消火栓泵、噴淋泵是工業和民用建筑消防設施的重要消防裝備,其運行可靠性極其重要,隨著大中型建設項目的興建,所配置的消火栓泵、噴淋泵功率、揚程增大,傳統的降壓起動方式凸顯其缺陷,尤其高...
了解詳情 +一、日常維護程序1、檢查斷路器及熔絲;2、檢查所有電力接駁點的松緊;3、檢查隔離開關的接駁點及操作;4、檢查周邊溫度;5、檢查設備通風情況,清理風扇網罩上的積塵。二、定期維護程序每...
了解詳情 +控制策略較簡單,可采用變周期周波模式,克服移相模式功率因數低、對電網污染大等缺點。變周期周波控制方式,負載電流以全正弦波為單位均勻分布。本產品的變周期周波控制方式專為這種負載設計的...
了解詳情 +軟啟動器出現報缺相故障一般出現在起動的時候,軟啟動器故障燈亮,但是電機沒反應,導致這樣的故障一般的原因有3個:1、起動方式采用帶電方式時,操作順序有誤。2、電源缺相,軟起動器保護動...
了解詳情 +
Copyright ? 2019 西安西馳電氣股份有限公司 保留所有版權 陜ICP備09009982號-1
陜公安備 61019002000087